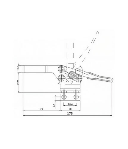
門扣式夾鉗40323
HOLDING CAPACITY(夾持力):165KG
SPINDLE SUPPLIED(壓頭螺絲型號): M4
快速夾鉗的使用範圍廣泛,無論是在焊接、金屬加工、汽修、木工還是日常維修中,
它都能提供穩固的夾緊力度。其獨特的設計,讓用戶在操作過程中能夠快速調整夾緊的力度,
從而提高工作效率,節省了寶貴的時間。
快速夾鉗的材料選擇上也展現出高品質的追求。其所採用的耐磨合金,
不僅保證了產品的長期性能,還有效降低了在高強度工作環境下的損耗,提升了整體的耐用性。
10
項目 個 2 月

商品評價
目前沒有評價。